FENDER BXR100, BASS GUITAR AMPLIFIER
Tuesday, December 27, 2016
Keluyuran di internet saya nemu sebuah ampli guitar bass dengan merk FENDER ber tipe BXR100.
| Gambar ini nemu di audiofanzine |
Berikut ini hasil capture dan editan skema dalam ampli gitar ini mulai dari:
1. POWER AMPLIFIER
Power Amplifier ini membutuhkan tegangan supply simetris 41V.
kliklah gambar untuk memperbesar
Inputan mulai dari C62 hingga berakhir pada spiker 4 Ohm 100 Watt. Transistor yang dipakai adalah tipe TIP147 yang speknya 100V, 10A, 125Watt atau datasheetnya disini
IC driver memakai IC tipe MC1436 datashetnya disini
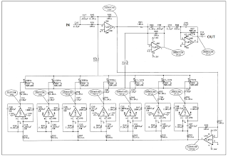
2. EQUALIZER
![]() |
| EQ 7 ch FENDER BXR100 |
3.TONE KONTROL
Pada skema tone kontrol ini ada fitur NOTCH, BRIGHT dan DEEP untuk menyesuaikan suara gitar anda.
4.PREAMP
OPAMP menggunakan IC low noise TL 072.
Ampli ini nge trend di era 2000 awal.




